新祥旭考研官网欢迎您!
网站首页
|
收藏网站
|
招聘教师
|
招聘员工
|
联系我们
2027考研课程
北大清华全科定制
985高校全科定制
211高校全科定制
普通高校全科定制
经管专业全科定制
政法专业全科定制
人文专业全科定制
社科专业全科定制
外语专业全科定制
艺术专业全科定制
医学专业全科定制
理工专业全科定制
考研全科辅导
名校考研定制
考研复试辅导
专业课一对一
公共课一对一
考研集训课程
名校保研辅导
名校考博辅导
当前位置:
首页
>
历年真题
>
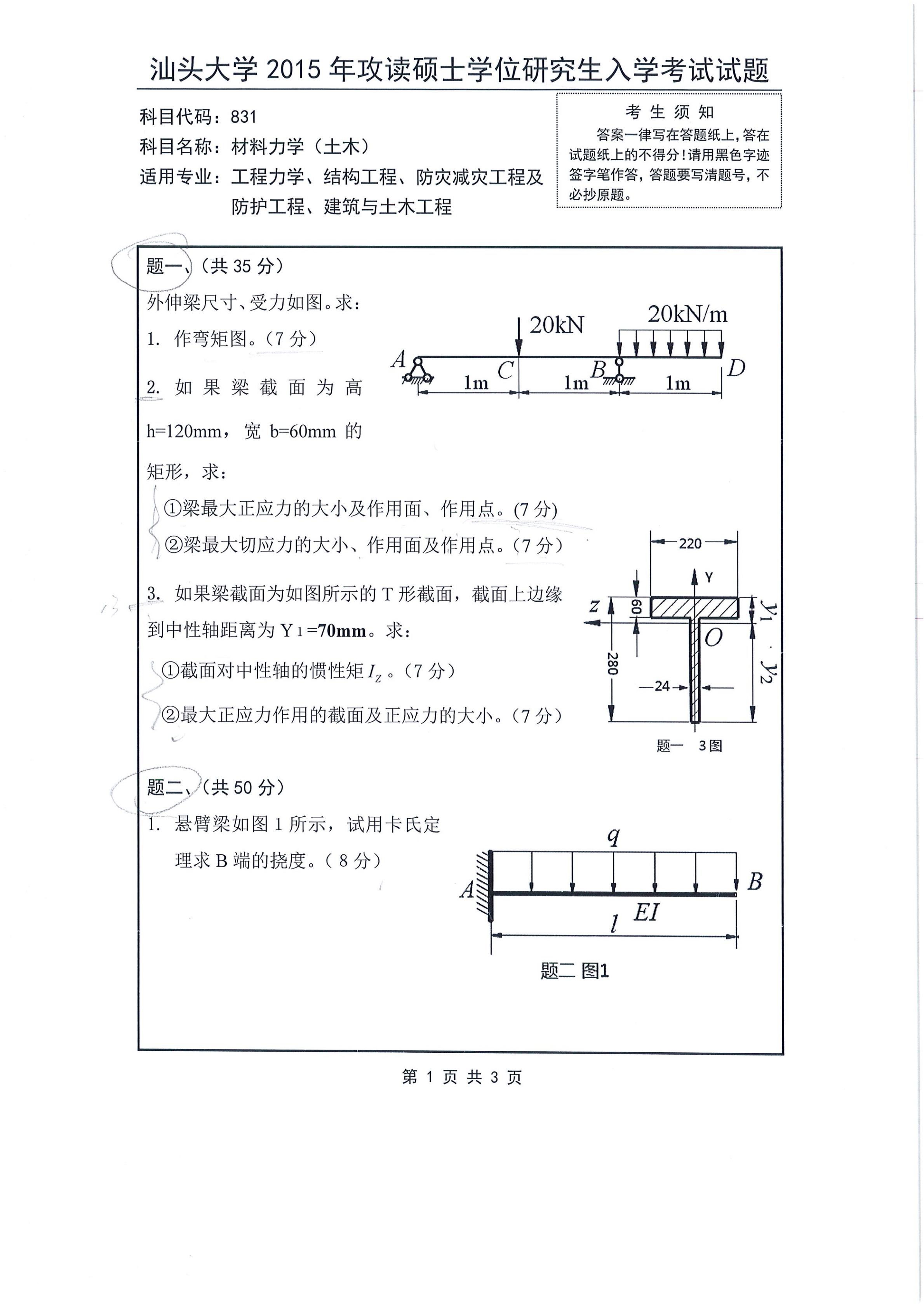
汕头大学考研辅导班:2015年汕头大学考研831材料力学(土木)真题
汕头大学考研辅导班:2015年汕头大学考研831材料力学(土木)真题
新祥旭曾老师 / 2020-04-10
下一篇:
2020-2021年武汉理工考研辅导班:武汉理工大学617体育教育专业综合2009年考研真题
上一篇:
2020-2021年武汉理工考研辅导班:武汉理工大学617体育教育专业综合2007年考研真题
全方位权威辅导,考研复试效率高
面授一对一
在线一对一
魔鬼集训营
咨询课程
预约登记
以效果为导向 以录取为目标
添加微信咨询考研问题
×
北清考研定制
985考研定制
211考研定制
学硕考研定制
专硕考研定制
北京考研私塾